Stavební zámek V8072/55
4FN 177 21
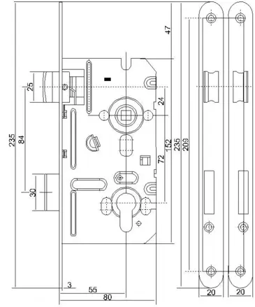
Zámek vložkový s převodem (na vložku FAB) určený pro pravé (.1) a levé (.2) dveře. Vzdálenost mezi otvorem pro kliku a otvorem pro vložku je 72 mm; hloubka pro zadlabání je 80 mm; vzdálenost čela a středu otvoru pro kliku/vložku je 55 mm; šířka čela je standardně 20 mm (na zakázku 18 mm); povrchově upraveno bílým zinkem. Balení je jednotlivé do krabičky nebo hromadné /1.
